关于永昌
公司简介
董事长寄语
总经理寄语
发展历程
技术创新
荣誉资质
企业文化
产业发展
硝酸
硝酸铵
硝硫基复合肥
高端水溶肥
尿基复合肥
物流
国际贸易
新闻中心
公司新闻
领导关怀
企业党建
视频中心
社会责任
人才招聘
社会招聘
人才招聘
联系我们
在线留言
联系方式
en
首页
关于永昌
公司简介
董事长寄语
总经理寄语
发展历程
技术创新
荣誉资质
企业文化
产业发展
硝酸
硝酸铵
硝硫基复合肥
高端水溶肥
尿基复合肥
物流
国际贸易
新闻中心
公司新闻
领导关怀
企业党建
视频中心
社会责任
人才招聘
社会招聘
人才招聘
联系我们
在线留言
联系方式
en
公司新闻
领导关怀
企业党建
视频中心
公司新闻
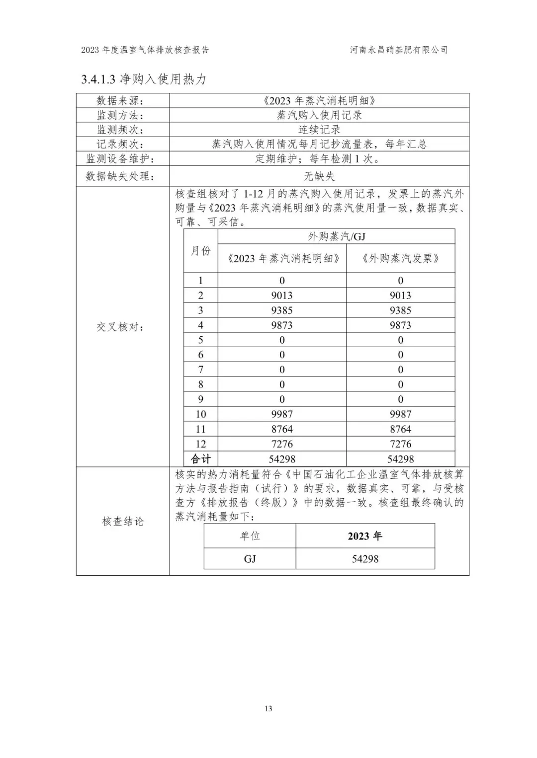
【公示】河南永昌硝基肥有限公司2023年度温室气体排放核验报告
发布时间:2024-02-22 14:22:37
点击:462
首页
关于永昌
公司简介
董事长寄语
总经理寄语
发展历程
技术创新
资质荣誉
企业文化
产业发展
硝酸
硝酸铵
硝硫基复合肥
高端水溶肥
尿基复合肥
物流
国际贸易
新闻中心
公司新闻
领导关怀
企业党建
视频中心
社会责任
人才招聘
社会招聘
人才招聘
联系我们
在线留言
联系方式
微信公众号
×